一、JDZ11-15、JDZX11-15、JDZ11-20、JDZX11-20G電壓互感器概述
JDZ11-15、JDZX11-15、JDZ11-20、JDZX11-20G電壓互感器電壓互感器為單相環氧樹脂澆注全封閉結構,適用于額定頻率50Hz或60Hz,額定電壓15kV、20kV及以下的電力系統中,作電能計量、電壓監控和繼電保護用。本產品符合IEC60044-2及GB1207《電壓互感器》標準。

二、JDZ11-15、JDZX11-15、JDZ11-20、JDZX11-20G電壓互感器結構簡介
本系列電壓互感器為環氧樹脂絕緣全封閉結構, 耐污穢及潮濕,也適用于熱帶地區使用。該互感器體積小,重量輕,局部放電量小、抗過電壓能力強,適宜于任何位置、任何方向安裝。
三、JDZ11-15、JDZX11-15、JDZ11-20、JDZX11-20G電壓互感器電壓互感器電壓比

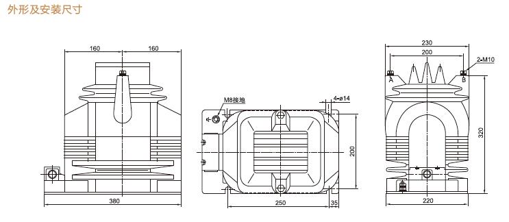
四、JDZ11-15、JDZX11-15、JDZ11-20、JDZX11-20G電壓互感器產品外形及安裝尺寸
?
五、JDZ11-15、JDZX11-15、JDZ11-20、JDZX11-20G電壓互感器接線圖


六、JDZ11-15、JDZX11-15、JDZ11-20、JDZX11-20G電壓互感器型號推薦
JDZ(X)-10???????????????? JDZW-10R??????????????????????? JDZW-20R??????????????? JDZW3-3、6、10
JDZXW-35??????????????? JDZ(X)W-35(G)???????????????????? JSZXW-10R-三相電壓互感器
JDZ16-3、6、10??????????? JDZ(X)10-3、6、10A1(G)?????????? JDZX9-35???????????????? JSZVR-3、6、10W
JSZVR-3、6、10W????????? JDZ16-3、6、10??????????????????? JDZ(J)-3、6、10Q ??????????JDZX10-3、6、10
JDZ10-3、6、10A1????????? JDZX9-3、6-10Q??????????????????? JDZX9-3、6-10Q(G)???????? JDZX18-3、6、10R1
JSZV12A-3、6、10R??????? JSZVR-3、6、10W?????????????????? JDZ(X)11-15、20(G)????????? LDZX11-35R
七、JDZ11-15、JDZX11-15、JDZ11-20、JDZX11-20G電壓互感器原理
電壓互感器一種電壓變換裝置。它將高電壓變換為低電壓,以便用低壓量值反映高壓量值的變化。因此,通過電壓互感器可以直接用普通電氣儀表進行電壓測量。
1、電壓互感器又稱儀用變壓器,是一種電壓變換裝置;
2、電壓互感器的容量很小,通常只有幾十到幾百伏安;
3、電壓互感器一次側電壓即電網電壓,不受二次負荷影響,并且大多數情況下其負荷是恒定的;
4、二次側負荷主要是儀表、繼電器線圈,它們的阻抗很大,通過的電流很少。如果無限期增加二次負荷,二次電壓會降低,造成測量誤錯增大;
5、用電壓互感器來間接測量電壓,能準確反映高壓側的量值,保證測量精度;
6、不管電壓互感器初級電壓有多高,其次級額定電壓一般都是100V,使得測量儀表和繼電器電壓線圈制造上得以標準化。而且保證了儀表測量和繼電保護工作的安全,也解決了高壓測量的絕緣、制造工藝等困難;
7、電壓互感器常用于變配電儀表測量和繼電保護等回路。
八、JDZ11-15、JDZX11-15、JDZ11-20、JDZX11-20G電壓互感器廠家
浙江中拓高壓電器有限公司是一家主要從事研發、生產銷售110kV及以下戶內外高低壓互感器,鐵芯、絕緣件的專業廠家。公司的10-35kV戶內外互感器,銷遍全國各地,遠銷海外多個國家和地區,深受廣大用戶信賴和好評,10kV真空斷路器用互感器已成為國內柱上開關生產企業最優選擇合作單位。2007年自主研發的主推產品LZW32-10(12)型戶外保護用電流互感器,是目前國內同類型配套互感器主要生產商。聯系電話:13868715829,商務QQ:40378900,歡迎來電咨詢定制。
?