一、LFZBJ8-10A2、LFZB8-10B2穿墻式電流互感器型號含義
LFZB8-10A2,LFZBJ8-10A2電流互感器為環氧樹脂澆注全封閉穿墻式結構,適用于額定頻率為50Hz或60Hz,額定電壓為10kV及以下的電力系統中作電能計量、電流測量和繼電保護用。本產品符合IEC60044-1及GB1208《電流互感器》標準。本型電流互感器為全封閉穿墻式結構,該產品體積小,安裝方便,是取代LA-10、LAJ-10、LFZ-10的新一代產品。
二、LFZBJ8-10A2、LFZB8-10B2穿墻式電流互感器技術參數
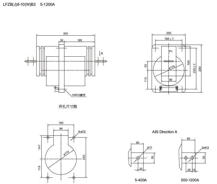
三、LFZBJ8-10A2、LFZB8-10B2穿墻式電流互感器安裝尺寸

四、LFZBJ8-10A2、LFZB8-10B2穿墻式電流互感器使用條件
1.海拔高度不超過1000M
2.周圍環境溫度不高于+40度,不低于-5度
3.周圍空氣的相對濕度不大于85%(20度)
4.本產品已通過直接振動試驗,能承受住相當于里氏九級裂度的加速度為0.4G正弦三波的耐振試驗。
五、LFZBJ8-10A2、LFZB8-10B2穿墻式電流互感器選型推薦
LZZBJ12-10A、B、C LZZB-10 LZZBJ9-10A1G、B1、C1 LZZB9-24/220b/2
LZZBJ4-35 LZZB9-35D LA(J)-10Q LMZK-10PU
LZZB7-35 LZZ(J)B6-10Q LZZJ-10Q LZJC-10
LZJ8-10Q LQJ8-10Q LFS-10Q LMZ(J)1-10Q
LAZBJ-10Q LFZB(J)8-10A2、B2 LDJ-10(Q)/210-L,Y LZCT-10C
六、LFZBJ8-10A2、LFZB8-10B2穿墻式電流互感器廠家-浙江中拓高壓電器簡介
浙江中拓高壓電器有限公司是一家主要從事研發、生產銷售110kV及以下戶內外高低壓互感器,鐵芯、絕緣件的專業廠家。公司的10-35kV戶內外互感器,銷遍全國各地,遠銷海外多個國家和地區,深受廣大用戶信賴和好評,10kV真空斷路器用互感器已成為國內柱上開關生產企業最優選擇合作單位。2007年自主研發的主推產品LZW32-10(12)型戶外保護用電流互感器,是目前國內同類型配套互感器主要生產商。聯系電話:13868715829,商務QQ:40378900,歡迎來電咨詢定制。